段ボール箱製造機
イノベータ社製 FitSizeシリーズ
上位モデル新登場
FitSize2500/1600 Xtra
印刷する
(A4サイズ)
FitSizeシリーズ 紹介動画
FitSizeシリーズ Xtra 紹介動画
適時・適量・ぴったり寸法
低コストで環境負荷の少ない段ボール箱をいつでも作れます。

各種加工もオールインワンで対応
高品質な段ボール箱製造に最適な上位モデルも登場しました。
-
かんたん操作、スピード作成
タッチスクリーンで簡単操作。
多彩な寸法入力システム。
サイズ保存機能で寸法入力を省略可能。
展開状態の箱を毎分4~6個作成。
-
サイズ・形状、自由自在
規格外サイズも対応。
大容量・長物用も作成可能。
標準の箱タイプは20種類以上。
-
安全設計・安心サポート
機械設計は欧州安全基準準拠。
三菱製PLC制御システム採用。
切削パーツは長寿命の特殊工具鋼製。
リモートシステム監視で故障発生時に迅速対応。
機械仕様
- FitSize2500/1600
- NewFitSize2500/1600 Xtra
| モデル | FitSize2500 | FitSize1600 |
|---|---|---|
| 段ボールの厚さ | 2~9mm | 2~9mm |
| 段ボールの長さ | 最小 400mm | 最小 400mm |
| 段ボール幅 | 400~2500mm | 400~1600mm |
| 段ボールの坪量 | アウターライナー160g/㎡、中紙130g/㎡ | アウターライナー160g/㎡、中紙130g/㎡ |
| 生産速度 | 4~9箱/分(箱タイプとサイズによって異なります) | 4~9箱/分(箱タイプとサイズによって異なります) |
| 使用電力 | 約5kw | 約5kw |
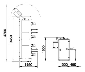
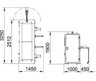
| 寸法 | 1450×4200×1900 mm(L×W×H) | 1450×3250×1900 mm(L×W×H) |
| 正味重量 | 約1900kg | 約1600kg |
| カラー | RAL 8019 / RAL 9003 | RAL 8019 / RAL 9003 |
| 給紙及び占有寸法 | ![]() | ![]() |
| モデル | FitSize2500 Xtra | FitSize1600 Xtra |
|---|---|---|
| 段ボールの厚さ | 2~8mm | 2~8mm |
| 段ボールの長さ | 最小 450mm | 最小 450mm |
| 段ボール幅 | 200~2500mm | 200~2500mm |
| 段ボールの坪量 | アウターライナー130g/㎡、フルーティング110g/㎡ | アウターライナー130g/㎡、フルーティング110g/㎡ |
| 生産速度 | 5~7箱/分(箱タイプとサイズによって異なります) | 5~7箱/分(箱タイプとサイズによって異なります) |
| 使用電力 | 約5kw | 約5kw |
| 寸法 | 2850×3800×1900 mm(L×W×H) | 2850×2900×1900 mm(L×W×H) |
| 正味重量 | 約4000kg | 約3500kg |
| カラー | RAL 8019 / RAL 9003 | RAL 8019 / RAL 9003 |
推奨オプション
-

追加ヘッド
最大12ヘッドまで拡張可能 -

並列マガジン
連続紙を自動給紙。サイドバイサイド方式に対応し、最適な幅の連続紙を左右2つの連続紙から選択できます。 -

シングルマガジン
連続紙を自動給紙。シングル給紙のみ。
FitSize2500およびFitSize1600で使用可能。 -

連続紙セレクター(シングル方式)
6段供給。FitSize2500専用。 -

連続紙セレクター(サイドバイサイド方式)
6段供給。FitSize2500専用。 -

連続紙ストック(6段)
連続紙ストレージ。
段ボール製造機の後ろに配置。 -

連続紙ストック(1段)
連続紙ストレージ。段ボール製造機の後ろに配置。いくつでも連結可能。
(ただし6段がお買い得) -

ソフトウェアアップデート
特殊な箱タイプを追加するソフトウェアアップデート(「箱タイプリスト」に含まれないもの)出荷前における、特殊箱タイプの追加は無料です。 -

バーコードシステム
データ送信用。システムの全ては本オプションに含まれません。ユーザー側で注文情報をExcelまたはCSV形式で保存し、フラッシュドライブまたはイントラネットを使用してPC(バーコードプリンタ出力)にデータを送信する必要があります。
本オプションでは、バーコードをスキャンして段ボール製造機にデータを送信した後、正しい箱を作成します。付属のバーコードリーダーは、コード39に準拠したバーコードを読み取るのに適しています。
よくあるご質問
Q
スロッター、手穴加工以外に現行FitSizeと違いはありますか?
A
長手方向の罫線加工に“バー押え”方式を取り入れたことにより段ボール紙の“罫線割れ“を低減することが、可能になりました。
Q
連続段ボール紙の使用は可能ですか?
A
機械の構造上、連続段ボール紙のご利用は出来ません。Xtraは段ボール箱の品質に特化した製品です。枚葉紙(段ボールシート)を用いて、付加価値の高い製品作りにご活用ください。
Q
詳しく知りたいのですが、どうすればよいですか?
A
まずはお問い合わせください。当社担当者がご説明に伺います。お客様のパッケージングの課題や問題点を把握し、システム構成を決定するため徹底的に分析を行います。その後、包括的なご提案させて頂きます。
Q
どれくらいの期間で導入できるのですか?
A
ご契約後に機器の設置を行います。設置には概ね1日~2日必要となります。
その後、機器操作のトレーニングをある一定期間行います。
Q
なぜ梱包コストの削減ができるのですか?
A
従来の規格品は、一般的な梱包資材消費に適したサイズとなっています。ただ、箱のサイズや形状、梱包スタイルが可変する複雑な梱包資材を消費する事業体においては、従来のモデルでは適切ではありません。
少量の規格外サイズの箱を工場で生産する場合、価格は割高になります。
それに加え、最低ロットが設定してある場合は、箱の在庫も発生してしまいます。
段ボール箱製造機は、必要なときに必要な量・サイズの箱を製造できるので、上記のような非効率性をなくすことが可能となりコスト削減を実現します。
Q
梱包費削減以外の特長は何がありますか?
A
1梱包単位で商品にフィットする箱を製造できるため、梱包サイズを最小化し、配送費用の最適化を実現できます。
Q
どのようなサイズを製造することが出来ますか?
A
小型・薄型の箱から特大サイズの箱を製造できます。
長辺は無制限ですので、長物梱包の特殊サイズの箱も製造できます。
Q
箱を作るのにどれくらい時間がかかりますか?
A
箱折りの種類や箱サイズによって異なりますが、おおよそ1分あたり4箱の製造が可能です。
Q
生産ソフトや物流ソフトと連携することはできますか?
A
操作のための複数の標準インターフェイスがあります。また幅広いプロトコル用にカスタマイズすることができます。一般的に使用可能なデータがある場合は、それをマシンに送信して、適切なサイズの箱を自動的に製造することも可能です。
Q
どのような種類の段ボール素材を使用できますか?
A
標準A,B,C,E, B/C, E/Bフルートです。
Q
機械の設置スペースはどのくらい必要ですか?
A
基本的なシステムでは30平方メートルの面積があると良いと思います
オプション機器の設置数により必要な占有面積が大きくなります。
Q
製造するために何人必要ですか?
A
一人で機械を操作することができます。
Q
信頼性はどうですか?
A
当社の機器は、世界各国で使用されている実績があります。
修理または交換が必要な場合は、当社国内倉庫から部品手配し修理等迅速に対応いたします。
Q
特別な訓練が必要ですか?
A
特別な技術的知識や訓練は必要ありません。機械操作インターフェイスは使いやすく、簡単に設計されています。
ご質問・ご相談は、こちらからお問い合わせください。

